Espace pédagogique

activité pratique de formation en électricité lycée professionnel de Challans

première activité pratique de formation proposée au lycée professionnel Couzinet, pour la classe de seconde baccalauréat professionnel électrotechnique énergie et équipements communicants

Vignette elec
Compétences visées dans cette activitée :

C1-3 Décoder les documents relatifs à tout ou partie d'un ouvrage.
C2-2 Compléter les plans, schémas, plannings et devis.
C2-4 Implanter les constituants d'un ouvrage.
C2-5 Poser les conduits, supports et conducteurs, les appareils en appliquant les procédures, textes et règlement en vigueur.
C2-6 Connecter les différents types de conducteurs.

Bilan élève

Dans ce tableau on vous demande de vous auto-évaluer sur l'acquisition ou pas des compétences visées :

  Acquise Non acquise
 C1-3  
 C2-2  
 C2-4  
 C2-5  
 C2-6  

1- CAHIER DES CHARGES.

On vous demande de réaliser une partie de l'installation électrique du salon et de la cuisine.

Salon :    
Deux appliques situées derrière le canapé dont la luminosité sera réglable par un variateur de lumière.
Deux prises de courant 2P+T 16A.

Cuisine :    
Un point lumineux au plafond commandé en simple allumage
Le circuit V.M.C. (ventilation mécanique contrôlée)



2- SOLUTION TECHNIQUE.

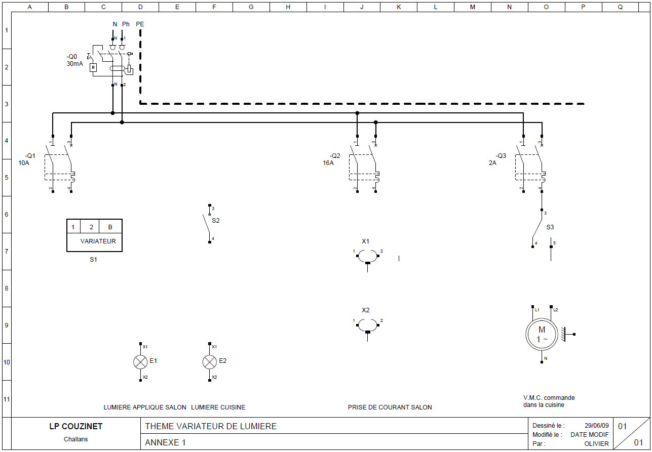
Afin de pouvoir régler la luminosité des appliques on vous propose d'utiliser l'interrupteur variateur Mosaic de chez LEGRAND (Annexe n°1).


3- TRAVAIL A FAIRE.

On vous demande de :

3-1- Compléter les  différents schémas :

-    Le plan architectural (Annexe 2).
-    Le schéma unifilaire (Annexe 4).
-    Le schéma multifilaire (Annexe 5).
-    Le schéma électrique de la maquette (Annexe 6).

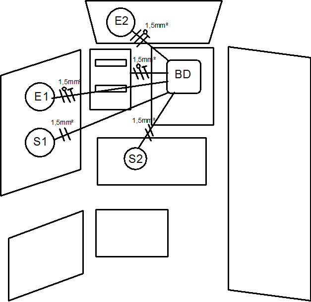
3-2- Réaliser la maquette correspondant à cette installation, en respectant le plan d'implantation (Annexe 3).

Remarque : sur la maquette il n'y aura qu'une seule applique de câblée.

3-3- De compléter le bon de commande correspondant à une partie de cette installation (Annexe n°7).

3-4- D'effectuer la mise en service de votre installation en présence d'un professeur en respectant la fiche de mise en service.

3-5- D'effecteur le dépannage de votre installation après avoir complété la fiche de maintenance.

Annexe n°1 Document constructeur :

Annexe n°2 : plan architectural
Annexe n°3 : plan d'implantation

Annexe 4.1 : schéma unifilaire circuit prise de courant


Annexe 4.2 : schéma unifilaire circuit éclairage
 

Annexe 4.3 : schéma unifilaire circuit VMC


Annexe 5.1 : schéma multifilaire éclairage


Annexe 5.2 : schéma multifilaire prise

Annexe 5.3 : schéma multifilaire VMC

Annexe 6 : schéma électrique de la maquette


Annexe 7 : bon de commande


Extension de l'installation

Compétences visées dans cette activité :

C1-3 Décoder les documents relatifs à tout ou partie d'un ouvrage.
C2-2 Compléter les plans, schémas, plannings et devis.
C3-3 Choisir le mode de pose adapté des constituants d'un ouvrage
C3-4 Proposer une implantation relative aux constituants de l'ouvrage.
C2-4 Implanter les constituants d'un ouvrage.
C2-5 Poser les conduits, supports et conducteurs, les appareils en appliquant les procédures, textes et règlement en vigueur.
C2-6 Connecter les différents types de conducteurs.

Bilan élève

Dans ce tableau on vous demande de vous auto-évaluer sur l'acquisition ou pas des compétences visées :

  Acquise Non Acquise
 C1-3  
 C2-2  
 C3-3  
 C3-4  
 C2-4  
 C2-5  
C2-6

4- CAHIER DES CHARGES n°2.

Rajouter deux autres points de commande pour les appliques du salon. Un point à proximité de la télévision et un autre sur le mur à côté du canapé.

5- TRAVAIL A FAIRE.

On vous demande de :

5-1- Dessiner ou compléter les  différents schémas :

-    Le plan architectural (Annexe 8).
-    Le schéma unifilaire (Annexe 9).
-    Le schéma multifilaire (Annexe 10).
-    Le schéma électrique de la maquette (refaire au propre le schéma mais uniquement le circuit éclairage des appliques du salon).

5-2- Réaliser la modification de l'installation électrique existante.

Remarque : sur la maquette il n'y aura qu'une seule applique de câblée.

5-3- De compléter le bon de commande établi précédemment.

5-4- D'effectuer la mise en service de votre installation en présence d'un professeur en respectant la fiche de mise en service.

Annexe 8 : plan architectural

Annexe 9 : schéma unifilaire de l'extension

Annexe 10 : schéma multifilaire de l'extension

Information(s) pédagogique(s)

Niveau :
2nde professionnelle
Type pédagogique :
travaux pratiques
Public visé :
enseignant, élève
Contexte d'usage :
atelier
Référence aux programmes :
C1-3 Décoder les documents relatifs à tout ou partie d'un ouvrage.
C2-2 Compléter les plans, schémas, plannings et devis.
C3-3 Choisir le mode de pose adapté des constituants d'un ouvrage
C3-4 Proposer une implantation relative aux constituants de l'ouvrage.
C2-4 Implanter les constituants d'un ouvrage.
C2-5 Poser les conduits, supports et conducteurs, les appareils en appliquant les procédures, textes et règlement en vigueur.
C2-6 Connecter les différents types de conducteurs.